エクステリアや造園に特化したO7を使うと、キレイな3D CADを簡単に描くことができます。
eE-Formerというソフトを使うと、3Dのオリジナル図形を作成したり、もともとの商品やユニットの形状を変更することができます。
その際、オリジナルの3D図形を作成したいことがあります。eE-Formerを使えばそういったオリジナルのオブジェクトを1から作成することができます。
ここでは、その方法について実例画像で解説しています。
eE-Formerの起動や各レイヤーの見方など基本操作方法については下記をご参考ください。
平面図を用意する
オリジナルの3Dオブジェクトを作成するために、作成したいオブジェクトの平面図を描きます。
ここでは3D CADの2Dレイヤーを使って平面図を描きました。

描いた図に注釈レイヤーを使って寸法を書き込みます。

上から見た図
テーブルの大きさを2 x 3mとし、真ん中に1m四方の穴を開けます。
天板の板の幅は200mm、間隔を100mmとします。

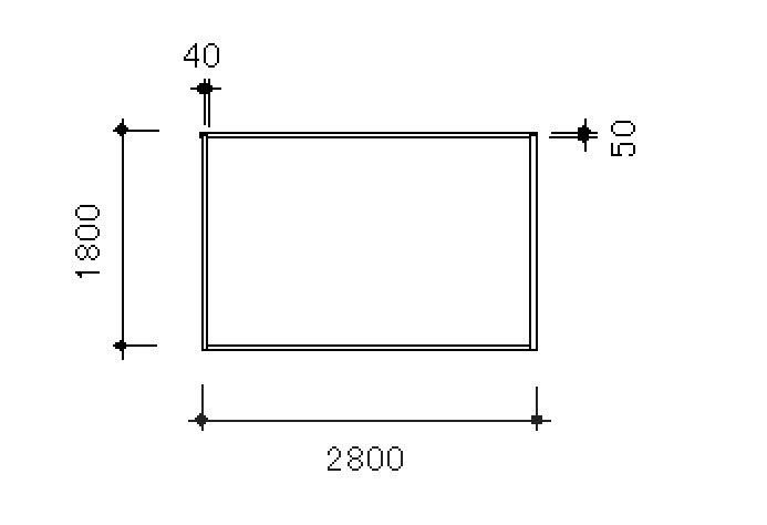
上から見た図(天板を除く)
テーブルの柱自体は1.8 x 2.8mです。厚さは40mmと50mmです。

正面から見た図
足の長さを900mm、天板の厚さを40mmとします。

テーブル脚の2D図を作成する
まずはテーブルの脚を作成します。
eE-Formerを開いて平面図を元に補助線で3D図の元となる線を描いていきます。
レイヤーで「ユニット」を選択します。

上部の「加工」>「eE-Former」を選択します。

eE-Formerが起動します。

平面図を元に補助線を描いていきます。

下部メニューの「補助線」タブをクリックして、直線をドラッグし長さを調整します。

補助線を選択して、上部メニューの「編集」>「配列複製」を選択します。

メニューが表示されるので、「個数:1」「間隔X:40」と入力します。

これで指定した間隔で補助線が複製されます。

最初の補助線を選択して、同様に2800の位置と、2760の位置で配列複製を実行します。

水平方向の線に関しても同様に作成します。
例えば、一番下に基準線を作成したら、y軸方向の間隔を調整します。


補助線は少し長めに描いておくのがポイントです。後ほど3D図をドロップするときに線と線の隙間があると正しくドロップできません。
テーブルの脚を3Dで作成する
補助線が描けたら、下側のメニューの「形状」タブをクリックします。

柱体を選択して補助線の枠内にドラッグします。
高さ入力画面が表示されるので900と入力します。

これでテーブルの脚が1本作成されました。

同様にして4本とも作成します。

テーブル梁の作成
テーブル脚を作成した方法と同様にテーブルの梁の部分に柱体をドラッグします。

基準が0になっているので、テーブル脚の長さから、梁の高さを引いた数値を入力します。


同様にして他の梁も作成します。

色付けをする
右上「P」画面の左上にあるアイコンをクリックします。

すると、3Dイメージに色がつきます。

左上の平面図で梁を選択します。

下側メニューの「属性」>「クラス」>「オーセブン」>「製品仕様」に進みます。

カラーが表示されるので適用したい色を左上の平面図にドロップします。
すると、ドロップした部分の色が右上の3Dイメージに適用されます。

まとめて色を適用したい場合は、平面図上で ctrl + a をクリックし全ての3D図形を選択した状態にします。

この状態でカラーをドラッグします。
すると全ての図形に対して色が適用されます。

天板の作成
続いて天板を作成します。

天板は真ん中をくり抜きたいため、2Dレイヤーで天板図を作成してから3D図を作成します。
2Dイメージの作成
左上のメニューで2Dレイヤーを選択します。

図形が何もない場所で新たに天板の平面図を作成します。
下側メニューの多角形をドロップし長さを調整します。


続いて1㎡の正方形を上に重ねます。

3D図の作成
3Dレイヤーに移動します。
作成した2Dイメージを元にして補助線を引きます。

下側メニューの「形状」を選択して「柱体」をドラッグします。

天板の厚みは「40」とします。

同様にして他の天板も作成します。

現状では天板はレベル0の位置にあるのでテーブルの高さまで上げます。

ドラッグで天板を全て囲んで選択状態にします。

上部メニューの「加工」>「モデルを移動」を選択します。

メニューが表示されるのでZに高さを入力します。

天板を全て選択した状態で「オブジェクト」>「グループ」を選択し、グループ化します。

平面図で移動して位置を調整します。

色付けをしたら完成です。

構造上必要な梁や天板の間隔などは適宜調整してください。

以上でテーブルの作成が完了です。
O7 CADに反映する
右下のOKを押してeE-Formerを閉じれば、作成したテーブルをユニットとしてCADに追加できます。

リアルタイムパースで確認するとテーブルになっていることがわかります。

芝の上に設置することもできます。



